Sistem penyearah ESB 48VDC200A telah dikustomisasi khusus untuk proyek retrofit sistem stasiun pangkalan telekomunikasi di Amerika Selatan. Sistem yang tangguh ini menyediakan daya penting bagi peralatan di dalam stasiun, memastikan operasi tanpa gangguan bahkan dalam kondisi yang menantang. Dengan demikian, stabilitas layanan komunikasi pun meningkat.
Gambaran umum sistem
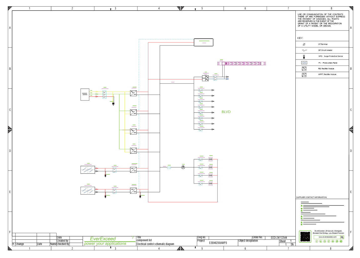
Sistem penyearah telekomunikasi seri ESB yang dikustomisasi dirancang dengan konsep "sistem daya stasiun pangkalan multifungsi terintegrasi". Sistem ini mencakup modul penyearah, modul MPPT surya, inverter, baterai litium, modul pemantauan, PDU (Unit Distribusi Daya), dan kabinet stasiun pangkalan dalam satu platform.
| Spesifikasi umum | Spesifikasi umum | |
| Model | ESB48VDC200A |
|
| Suhu Operasional | -10°C hingga +45°C | |
| Suhu Penyimpanan | -25°C~70°C (tidak termasuk baterai) | |
| Kelembaban Relatif | 5%~95% RH (tanpa kondensasi kelembaban) | |
| Ketinggian | 2000m Maksimal tanpa penurunan rating | |
| Kipas Pendingin | 21W*2 | |
| Peringkat IP | IP20 | |
| Dimensi (mm) | W600*D900*H2000 | |
Sorotan desain
Semua dalam Satu: Kabinet ini sangat terintegrasi. Kabinet ini sangat sesuai dengan kebutuhan jaringan komunikasi yang membutuhkan penyebaran cepat, pengoperasian yang efisien, dan perluasan yang fleksibel.
Desain Pemantauan Pemutus Sirkuit: Mengintegrasikan berbagai mekanisme proteksi (kelebihan beban, hubung singkat, tegangan rendah) untuk memantau status dan parameter pemutus sirkuit secara real-time. Mendukung manajemen jarak jauh untuk mendeteksi potensi gangguan sejak dini.
Desain Distribusi Multi-Daya: Menggabungkan daya DC, baterai dua arah, dan distribusi PV, semuanya dilengkapi proteksi lonjakan arus. Distribusi DC mencakup BLVD untuk mencegah pengosongan daya baterai berlebih, sehingga memperpanjang masa pakai baterai.
Desain Modul yang Dapat Ditukar Saat Panas: Modul 1U hot-swappable mendukung hot-swappable online, memastikan pasokan daya berkelanjutan ke baterai dan beban. Modul ini dilengkapi fitur pembagian arus cerdas, pencadangan redundansi, dan penyesuaian daya keluaran yang fleksibel.
Sistem Pemantauan Terpusat: Sistem pemantauan FSU terintegrasi dengan arsitektur B/S mendukung akses jaringan. Memantau modul penyearah, modul PV MPPT, inverter, dan baterai litium secara terpusat, menawarkan antarmuka pengguna yang kaya dan pengalaman interaktif.
Desain Proteksi Lonjakan Tegangan: Dilengkapi dengan AC SPD, PV SPD, dan DC SPD (pelindung lonjakan arus), dengan sekring yang dapat diganti saat listrik mati untuk memudahkan penggantian, secara efektif melindungi peralatan dari petir dan tegangan lebih transien frekuensi daya.
Pindai ke wechat:everexceed
